乐鱼在线登录最新官网_乐鱼leyu(中国)
首 页
关于大亚
集团介绍
经营团队
发展历程
乐鱼在线登录最新官网_乐鱼leyu(中国)
乐鱼在线登录最新官网_乐鱼leyu(中国)
乐鱼在线登录最新官网_乐鱼leyu(中国)
行业资讯
创新专题
产业版块
大家居
智能包装
新材料
新能源
品牌家族
圣象
大亚人造板
大亚包装
大亚车轮
大亚置业
加入大亚
人才观
社会招聘
校园招聘
信息公布
招投标信息
ENG
首 页
关于大亚
集团介绍
经营团队
发展历程
乐鱼在线登录最新官网_乐鱼leyu(中国)
乐鱼在线登录最新官网_乐鱼leyu(中国)
乐鱼在线登录最新官网_乐鱼leyu(中国)
行业资讯
创新专题
产业版块
大家居
智能包装
新材料
新能源
品牌家族
圣象
大亚人造板
大亚包装
大亚车轮
大亚置业
加入大亚
人才观
社会招聘
校园招聘
信息公布
招投标信息
English
乐鱼在线登录最新官网_乐鱼leyu(中国)
company news
江苏大亚滤嘴材料有限公司年产120亿支特种滤棒项目环境保护验收监测情况自主公示
2020-08-12
12555
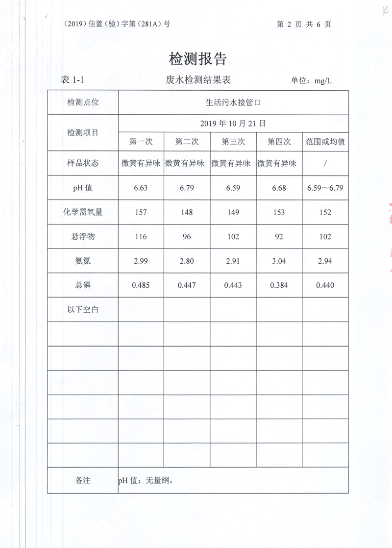
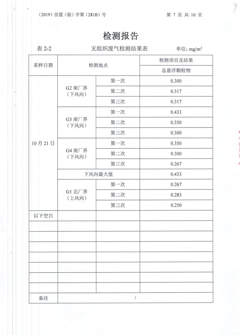
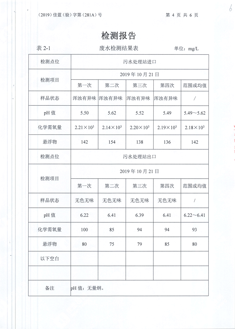
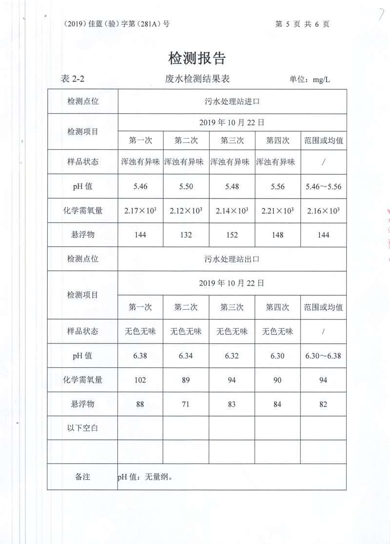
根据《国务院关于修改<建设项目竣工环境保护管理条例>》(国务院令第682号)以及环保部《关于发布<建设项目竣工环境保护验收暂行办法>的公告》(国环规环评(2017)4号),现将江苏大亚滤嘴材料有限公司年产120亿支特种滤棒项目环境保护验收内容(包括验收监测报告、验收意见)公示如下:
项目名称:江苏大亚滤嘴材料有限公司年产120亿支特种滤棒项目
地点:江苏省丹阳市经济开发区大亚工业园大亚路3号
建设单位:江苏大亚滤嘴材料有限公司
建设内容:项目总投资30000万元,改建厂房面积为14000平方米;项目以二醋酸纤维和三醋酸甘油酯等为主要原料,选购各类滤棒成型机和复合滤棒成型机等设备,采用开松、上胶、成型、粘结、分切等加工工艺,年产能力为120亿支特种滤棒。项目年耗电720万度、耗水10000吨、蒸汽4000吨。
公示时间:2020年8月12日至2020年8月20日(7个工作日)
联系人:刘玉萍
联系电话:
邮箱:
关于大亚
集团介绍
经营团队
发展历程
乐鱼在线登录最新官网_乐鱼leyu(中国)
乐鱼在线登录最新官网_乐鱼leyu(中国)
乐鱼在线登录最新官网_乐鱼leyu(中国)
行业资讯
创新专题
产业版块
大家居
智能包装
新材料
新能源
品牌家族
圣象
大亚人造板
大亚包装
大亚车轮
大亚置业
加入大亚
人才观
社会招聘
校园招聘
信息公布
招投标信息
大亚科技集团有限公司
地址:江苏省丹阳市经济技术开发区齐梁路99号大亚工业园(212310)
电话:
传真:
E-mail:
@copy; 2025 - Copyright DARE All Rights Reserved